MV900 series induction heating system
The MV900 series is suitable for various high and low temperature heating applications,including preheating before welding,postheating after welding, and hot disassembly and assembly of rotors,such as heat treatment/postheating of circumferential welds,preheating of spade teeth,postheating of flange interfaces,preheating of anti-corrosion coatings for pipelines,preheating of coatings for main urban water supply pipelines,and flat blanket preheating for offshore platform shipbuilding.


Product Features Introduction:
1.Industry-leading wide inductance design
The electromagnetic induction heating system adopts a wide-range adjustable inductance design (inductance range: 2μH~600μH),covering low inductance (precision local heating) to high inductance (large volume penetration heating),adapting to diverse industrial scenarios.Through adaptive resonant control technology,it ensures efficient energy coupling under different load conditions (such as metal materials and size changes),significantly improving system compatibility and heating efficiency.
2.Integrated isolation transformer
The use of nanocrystalline magnetic cores reduces high-frequency eddy current losses and improves efficiency;the isolation transformer effectively reduces noise generated by the high-frequency inverter and reduces electromagnetic interference to the power grid;at the same time,it isolates the output port from the power grid,increasing output safety.
3.Precise temperature control improves process quality.
--High-precision temperature control of ±3℃ (maximum ±1℃),suitable for harsh environments such as semiconductors and precision metal
heat treatment.
--Non-contact heating avoids oxidation and deformation,ensuring stable material properties.
4.High stability and comprehensive fault mechanisms
It can work continuously at full load for 24 hours a day,and can also operate under power grid fluctuations of ±20% (three-phase 400VAC\
model).It has protection mechanisms for overvoltage,overcurrent,phase loss,and overtemperature.
5.Safe and reliable, industrial-grade protection design
The medium-frequency induction heating power supply adopts an independent air-cooled or fully water-cooled structure,and the PCB and other components are treated with a three-layer conformal coating process,making it suitable for complex environments such as offshore platforms.
6.Data storage
The heating temperature curve can be displayed and stored in the system in real time.Heating data can be queried at any time or historical heating data can be copied to a USB flash drive after heating is completed.
7.Multi-segment process curve
The system has multiple control modes,including constant power,power-time curve,constant temperature (constant temperature operation module is optional),and temperature-time curve,which can be selected according to different working conditions and requirements.
8.Remote control (customized module)
The device integrates communication modules such as WiFi/5G wireless,RS485,and TCP/IP MODBUS,enabling remote monitoring and control.
9.Diverse power control modes
Output power can be controlled via 0-10V,0-5V,4-20mA,and digital adjustment.
MV900 Specifications and Parameters
| S/N | Model | Parameters | Inductance range | Dimension | Weight |
1 | MV900-4T0020AA | Power;20KVA Input voltage:3-phase 380V(±15%) Frequency range:3-30K MaxInput Current:35A | 3-150UH | W:303MM H:437MM D:500MM | 26.5KG |
2 | MV900-4T0040AA | Power:40KVA Input voltage:3-Phase380V(±15%) Frequency:3-30K Max.Input Current:68A | 5-200UH | W:375MM H:624MM D:570MM | 49.5KG |
3 | MV900-4T0060AA | Power:60KVA Input voltage:3-Phase380V(±15%) Frequency:3-30K Max.Input Current:100A | 5-260UH | W:554MM H:969MM D:810MM | 155KG |
4 | MV900-4T0080AA | Power:80KVA Input voltage:3-Phase380V(±15%) Frequency:3-30K Max.Input Current:135A | 5-260UH | W:554MM H:969MM D:810MM | 160KG |
5 | MV900-4T0120AA | Power:120KVA Input voltage:3-Phase380V(±15%) Frequency:3-30K Max.Input Current:200A | 5-350UH | W:654MM H:1040MM D:910MM | 232KG |
6 | MV900-4T0160AA | Power:160KVA Input voltage:3-Phase380V(±15%) Frequency:3-15K Max.Input Current:270A | 10-400UH | W:804MM H:1250MM D:1165MM | 300KG |
7 | MV900-4T0200AA | Power:200KVA Input voltage:3-Phase380V(±15%) Frequency:3-15K Max.Input Current:340A | 10-400UH | W:804MM H:1250MM D:1165MM | 320KG |
MV900 model applications:
A、Circumferential Weld Heat Treatment Control /PWHT for Girth Welds


1.The C-shaped induction coil fixture is mounted on an electrically powered cart,enabling vertical lifting and horizontal extension of the inductor via cart movement control.
2.The inductor shall incorporate an arc-adjustment mechanism to accommodate workpieces of varying diameters during heating.
B、Bucket Tooth Preheating

1.Custom medium-frequency power supply (2–25 kHz): Adaptable to tooth profiles ranging from small gear teeth to mega-sized mining teeth.
2.Modular coil configurations: Rapid-change design enabling conformation to complex shovel tooth geometries.
3.Intelligent temperature control system: Infrared pyrometry + closed-loop PLC control ensuring process reproducibility (±10℃ deviation).
C、Rotor Thermal Removal & Installation


1.Flexible heating cable design:Conformable to complex structures (e.g.rotor shafts,stator bores) with 360° wraparound capability.
2.Fixed-coil configuration:Reusable for repeatable builds with >92% thermal efficiency.
3.Rapid uniform heating:Cuts disassembly/installation time by 3X+ (benchmark:40min → 12min @ Ø500mm journal).
4.Localized heating:Selective targeting of mating surfaces (bearing journals,core seats) preventing bulk thermal distortion (ΔT<30℃ gradient).
D、Flexible Heating Blanket


1.Flexible contouring capability:Heating blankets conform tightly to pipes,curved surfaces,and contoured geometries (e.g.wind turbine blades,ship welding grooves) — inaccessible to rigid coils.
2.Custom-engineered sizing:Supports non-standard designs with coverage from 200cm² to 50m²
3.Magnetic/Vectran® strap securing: Enables 80% faster wrap completion vs manual coil winding.
E.Pipeline Preheating for Anti-Corrosion Coating


1.Deployable heating blanket solution:Conforms tightly to pipelines,curved surfaces,and contoured geometries. Universal pipe compatibility
2.Clamshell heater alternative:Pre-engineered sizing for fixed pipe diameters,Minimizes setup time by 75% vs custom wrapping
F、Precision Wrapping Preheating for Flanged Joints & T Fittings


1.Conformal Wrap Heating Technology:chieves full geometric conformance on pipelines & curved surfaces,complex geometries (wind turbine blades,fossil-fuel boiler pressure parts,ship welding grooves,extruded tees)
2.Custom Cable Configuration:Heating cable lengths:10m to 60m (customizable in 5m increments)
MV900 Product accessories:
A.Output Extension Cable(Customizable Length per Project Requirements):


B.Thermocouple Assembly:


C、Induction Coil Assembly(Customizable Length per Application Requirements):



D、Blanket type Flexible Induction Coil:


E、Clamshell Fixture Induction Coil :

![]()

MV900 System Application Cases Connection Diagram:
A.Clamshell Fixture Induction Heating Application Diagram

B.C-Frame Fixture Induction Heating Application Diagram

C.Helical Air-Cooled Induction Cable Heating Application Diagram

D.Blanket-Type Air-Cooled Induction Heating Application Diagram

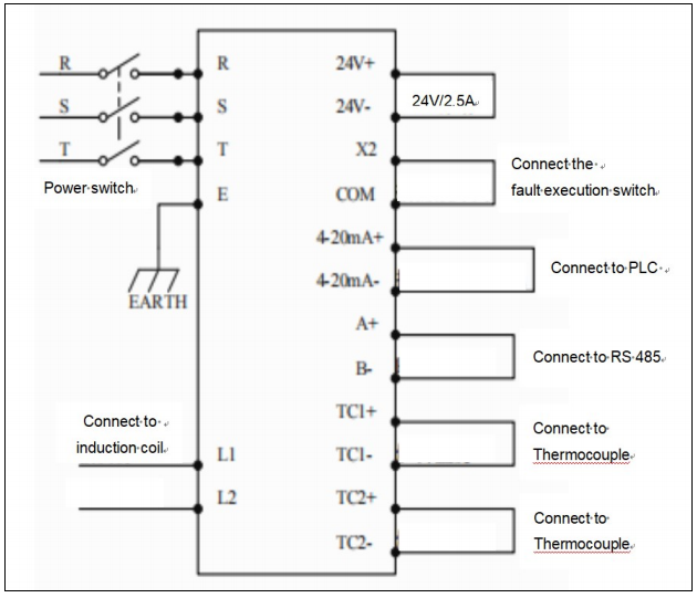
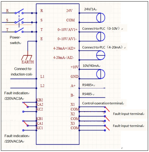
Product wiring diagram:
External wiring diagram

Internal control board wiring diagram





